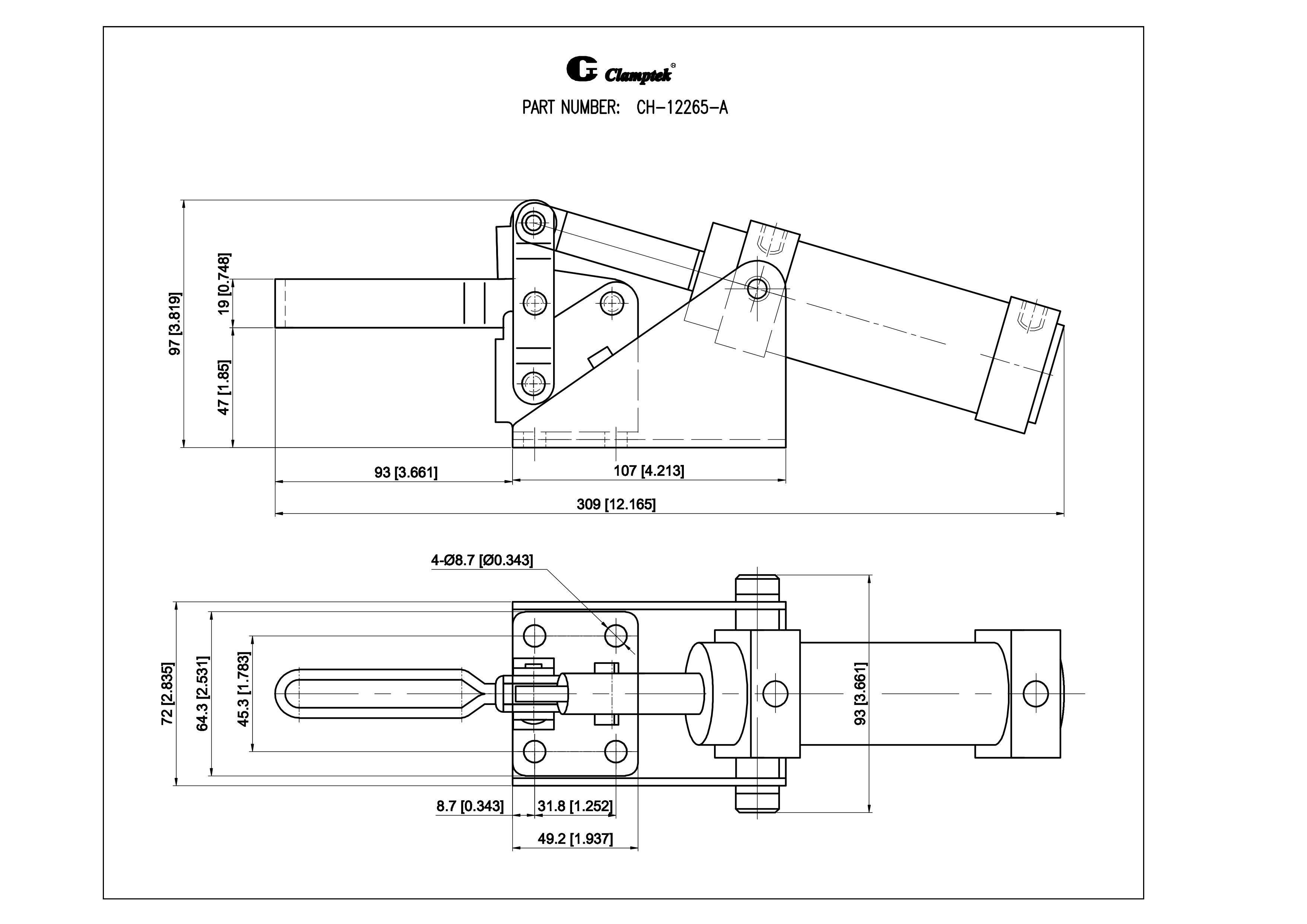
12265-A
12275-A
CH-12265-A、CH-12275-A
產品資訊
最大夾持力:340Kg
壓頭螺絲型號:CH-FC-38312
壓把開啟角度:99°±2°
螺紋尺寸:G1/8"
氣缸內徑:40mm
氣缸面積:12.56cm²
氣缸最大壓力:10kg/cm²(140PSI)
壓頭螺絲型號:CH-FC-38312
壓把開啟角度:99°±2°
螺紋尺寸:G1/8"
氣缸內徑:40mm
氣缸面積:12.56cm²
氣缸最大壓力:10kg/cm²(140PSI)