12265
12265-SS
12270
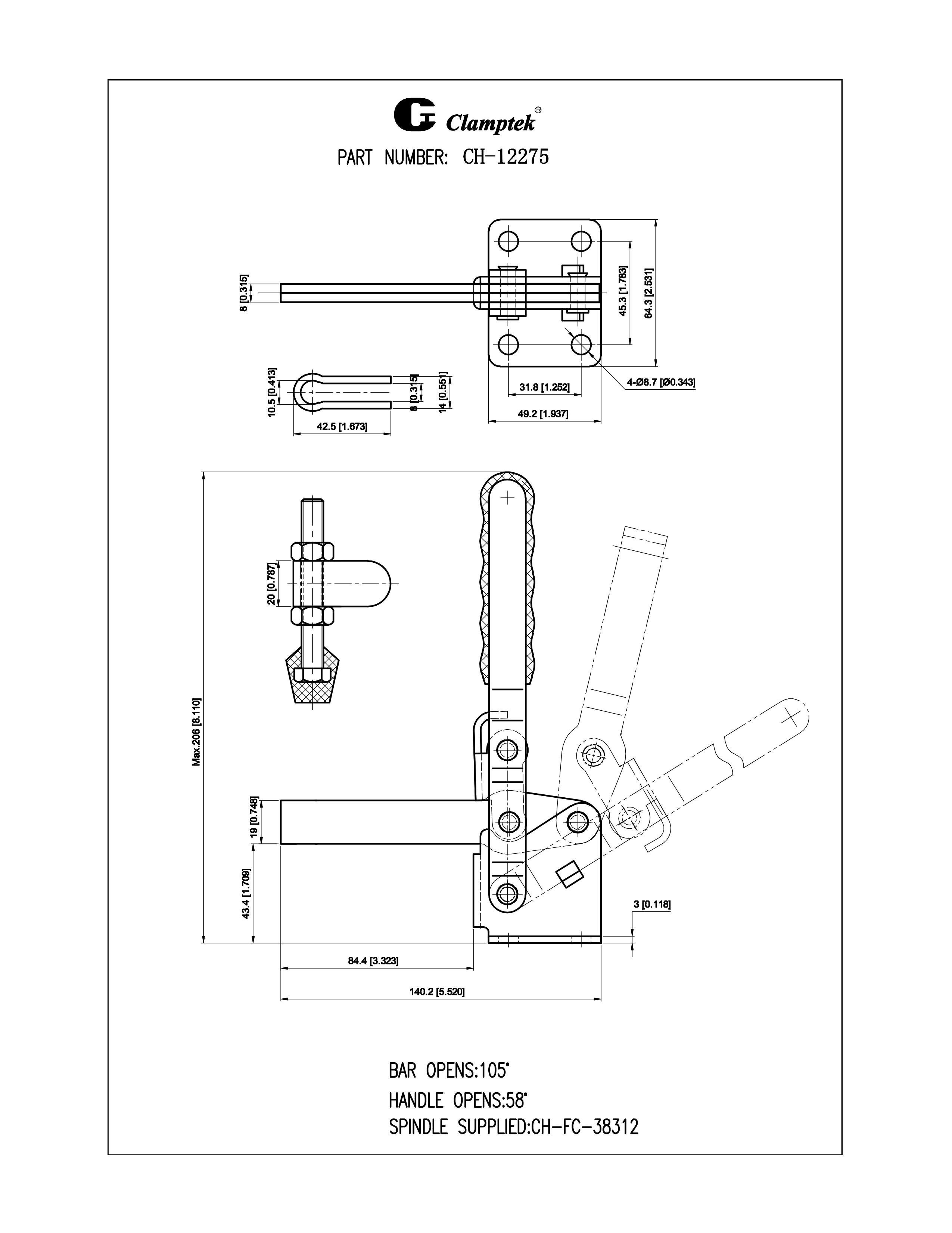
12275
12280
12285
12295
12300
CH-12265至CH-12300
產品資訊
夾持力:340Kg
壓把開啟角度:105°
手柄開啟角度:58°
壓頭螺絲型號:CH-FC-38312
壓把開啟角度:105°
手柄開啟角度:58°
壓頭螺絲型號:CH-FC-38312
12265
12265-SS
12270
12275
12280
12285
12295
12300
| 型號 | CH-12265 | CH-12265-SS | CH-12270 | CH-12275 | CH-12280 | CH-12285 | CH-12290 | CH-12295 | CH-12300 |
|---|---|---|---|---|---|---|---|---|---|
| 產品重量 | 635g | 635g | 635g | 680g | 680g | 710g | 710g | 735g | 735g |
| U型壓把 | V | V | V | V | V | ||||
| 實心壓把 | V | V | V | V | |||||
| 法蘭底座 | V | V | V | V | V | ||||
| 直底座 | V | V | V | V | |||||
| 直手柄 | V | V | V | V | V | ||||
| T型手柄 | V | V | V | V | |||||
| 不鏽鋼 | V |