





UC | ||
---|---|---|
D | ||
Q2W | ||
B | ||
20 | ||
10 | ||
S | ||
M | ||
D-A73 | ||
2 |
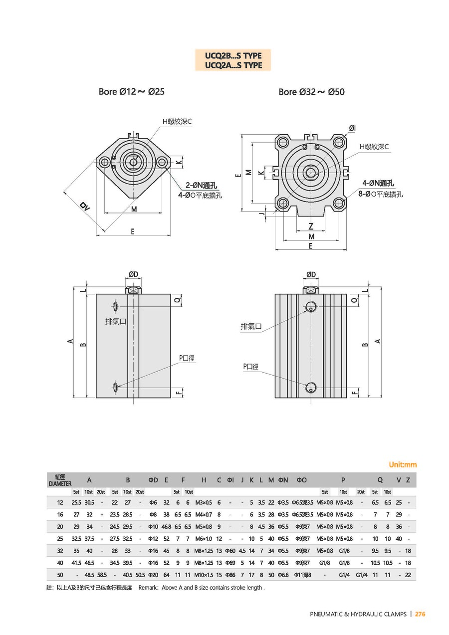
型號 | UCQ2-12 | UCQ2-16 | UCQ2-20 | UCQ2-25 | UCQ2-32 | UCQ2-40 | UCQ2-50 | UCQ2-63 | UCQ2-80 | UCQ2-100 |
---|---|---|---|---|---|---|---|---|---|---|
氣缸內徑(mm) | Ø12 | Ø16 | Ø20 | Ø25 | Ø32 | Ø40 | Ø50 | Ø63 | Ø80 | Ø100 |
標準行程(mm) | 5,10,15,20,25, 30,35,40,45,50 | 5,10,15,20,25, 30,35,40,45,50 | 5,10,15,20,25, 30,35,40,45,50 | 5,10,15,20,25, 30,35,40,45,50 | 5,10,15,20,25, 30,35,40,45,50 | 5,10,15,20,25, 30,35,40,45,50 | 5,10,15,20,25, 30,35,40,45,50 | 5,10,15,20,25, 30,35,40,45,50 | 5,10,15,20,25, 30,35,40,45,50 | 5,10,15,20,25, 30,35,40,45,50 |
行程範圍(mm) | Max: 30 | Max: 30 | Max: 50 | Max: 50 | Max: 50 | Max: 50 | Max: 50 | Max: 50 | Max: 50 | Max: 50 |
使用溫度範圍(°C) | -10~+60°C | -10~+60°C | -10~+60°C | -10~+60°C | -10~+60°C | -10~+60°C | -10~+60°C | -10~+60°C | -10~+60°C | -10~+60°C |